制造业知识分享、信息发布平台-兴盛制造网 Email: 206027815@qq.com

使用R&S FSW和SMW200A 测量卫星信号质量

分类: 其他 浏览量: 留言数: 52697

要验证卫星集成和在轨操作过程中卫星链路的质量,必须进行调制准确度及误码率 (BER) 测量。要测量调制准确度及 BER,通常需要分析在轨卫星和地面站在不同频率下发射的载波的功率和数字解调特性。误差矢量幅度 (EVM) 是测定转发器内部再生信号质量的重要参数。

罗德与施瓦茨R&SFSW-K70 矢量信号分析 (VSA) 选件可轻松读取EVM、BER、信号振幅和相位等参数。该选件可将卫星收发的信号与理想参考信号进行对比,以测定收发信号的质量。罗德与施瓦茨R&S FSW-K70 选件根据 DUT 发射的信号以及调制类型和符号率等用户设置来计算参考信号。

配备 FSW-K70 选件的矢量信号分析仪可以:

  • 对信号带宽高达 2 GHz 的数字调制单载波信号进行分析

  • 分析调制

  • 使用针对 DVB-S2(X) 的预定义标准设置测量

  • BER在轨

卫星载波监控

013

可以使用图中所示装置快速准确地监控卫星。根据地面站配置和所用频段,可以使用频率范围不同的频谱分析仪。

卫星链路的干扰排查:载波间测量

02

载波间测量可展示 VSA 应用如何分析卫星链路的干扰并进行故障排查,例如以下情况:GSM 信号干扰操作地面站发射的信号,或者卫星地面站互相干扰。在此类情况下,干扰信号和被干扰信号处于相同频段,并具备相同的调制特性。因此,有用信号的质量会下降,但查看频谱却无法立即检测到任何干扰信号。

03

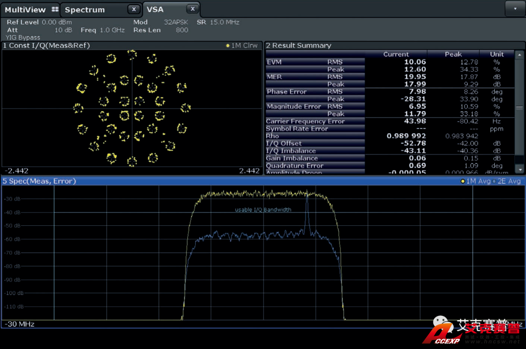
DVB-S2X 信号针对有效载荷和帧头部分使用不同的调制方案。可以使用 R&S®FSW 多标准无线电分析仪 (MSRA) 模式和 R&S®FSW-K70 选件分析不同的调制。根据此配置,R&S®FSW 会根据同样的 I/Q 数据解调 DVB-S2X 信号的帧头和有效载荷数据,并在不同的窗口中分别显示性能参数和星座图等。在这种情况下,有效载荷采用256APSK 调制,帧头和导频部分则使用更为可靠的 QPSK 调制。此屏幕截图为有效载荷子页。

04

此场景与上文屏幕截图中场景相同。此屏幕截图为帧头子页。

05

此屏幕截图为干扰场景示例。有用信号为带 15 Msymbol/s 采样率的 DVB-S2 32APSK 调制信号。干扰 GSM 信号对有用信号的电平 / 频率偏移为 –20 dB/5 MHz。结果汇总显示,有用信号的EVM增加了。误差频谱(蓝色)显示,干扰GSM 信号所在的频谱段误差电平更高。

艾克赛普公司是罗德与施瓦茨R&S湖南授权代理商,如果您有频谱分析仪和信号发生器需求或者任何疑问欢迎联系,我们将提供免费样机上门试用和更合适的测试解决方案。

本文地址: https://www.xsyiq.com/52697.html
网站内容如侵犯了您的权益,请联系我们删除。

标签: 上一篇: 下一篇: